FH M5 0025 11 032
Termékszám:
FHM5002511032
11
FH M5 0025 11 032
Termékszám:
FHM5002511032
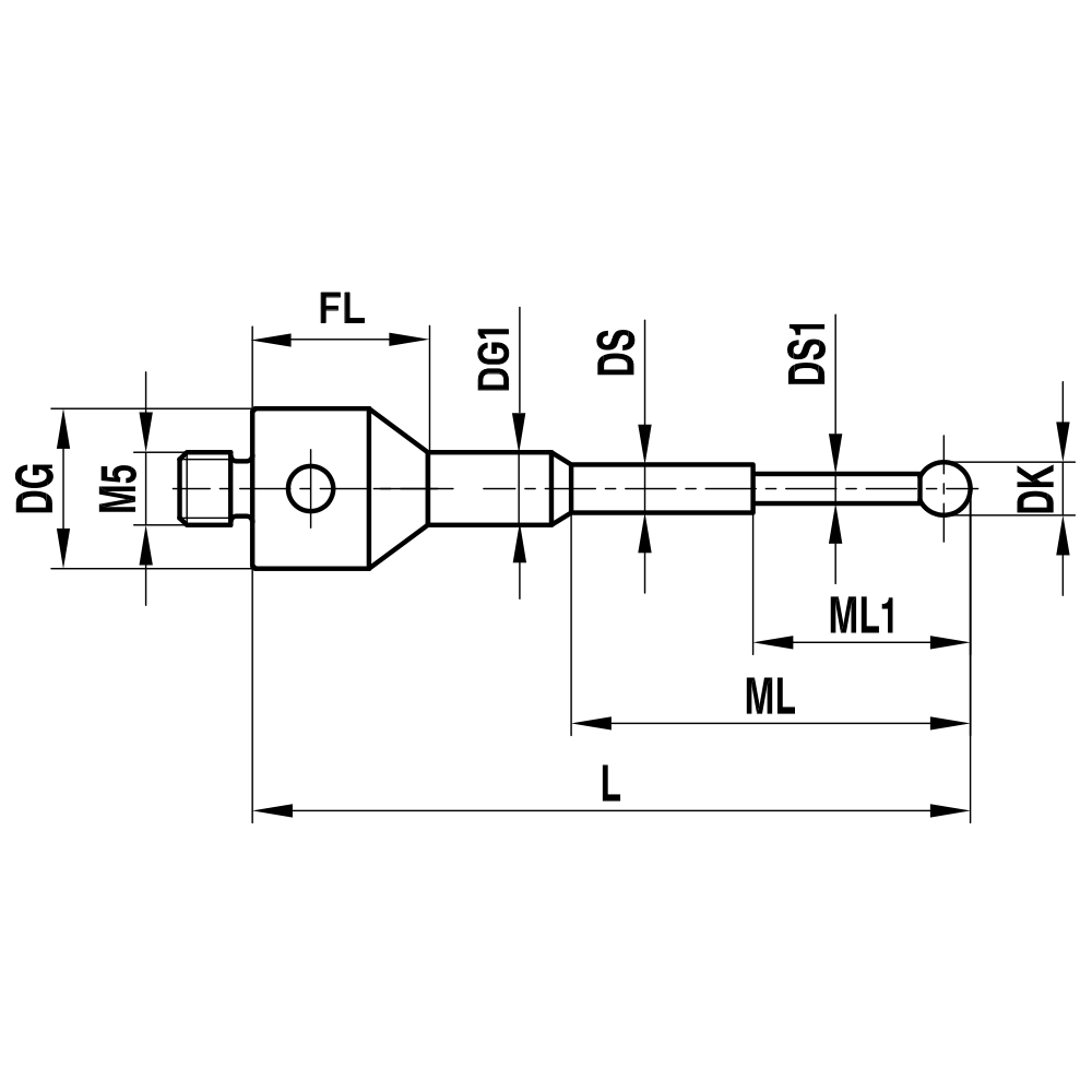
Straight Styli; base: stainless steel; stem: carbide; ball: ruby
Straight stylus with stepped reinforced body.
The extremely rigid tungsten carbide stem allows a wide range of dimensions. The stem can be single or multi-stepped.
Ruby balls of the highest quality from Ø0,2mm to Ø1,0mm are used for these styli.
Other dimensions can be requested via the configurator or by e-mail.
| Thread size: | M5 |
|---|---|
| DK: | 0.25 |
| L: | 32.0 |
| DG: | 11.0 |
| DG (1): | 4.0 |
| FL: | 9.0 |
| ML: | 12.0 |
| ML (1): | 2.3 |
| DS: | 1.0 |
| DS (1): | 0.18 |
| Stem Material: | carbide |
| Base Material: | stainless steel |
| Probe ball material: | ruby |
| Súly: | 6.6 |