FT M5 025 11 055
Termékszám:
FTM502511055
11
Suitable for Zeiss: 602030-9022-000
Suitable for Zeiss: 602030-9022-000
FT M5 025 11 055
Termékszám:
FTM502511055
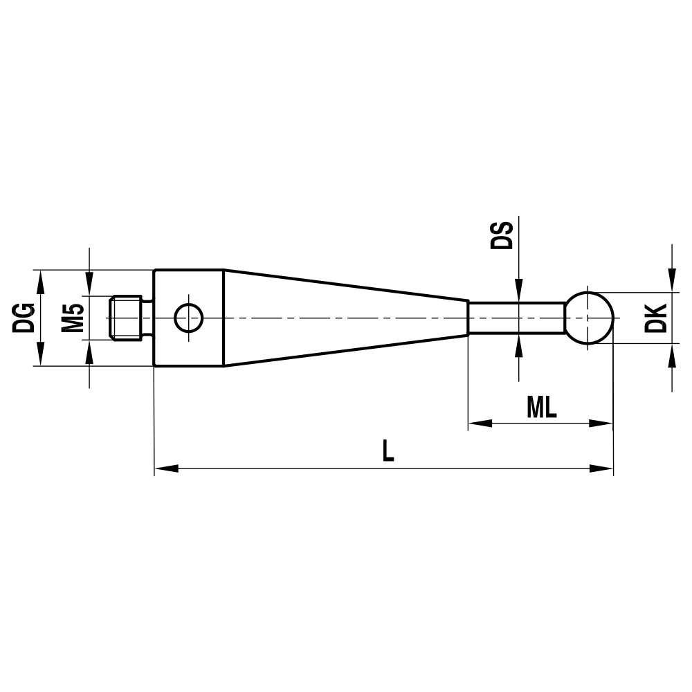
Straight Styli; base: titanium; stem: carbide; ball: ruby
Straight stylus with long, reinforced body for high accuracy measurements.
The tungsten carbide stem is extremely rigid and allows a wide range of dimensions.
Ruby balls of the highest quality are used for these probes, ranging from Ø 1,0 mm to Ø 3,5 mm.
Other dimensions can be requested via the configurator or by e-mail.
| Thread size: | M5 |
|---|---|
| DK: | 2.5 |
| L: | 55.0 |
| DG: | 11.0 |
| ML: | 5.0 |
| DS: | 2.0 |
| Stem Material: | carbide |
| Base Material: | titanium |
| Probe ball material: | ruby |
| Súly: | 12.2 |
| Compatible with: | Renishaw, Zeiss |
| Zeiss No.: | 602030-9022-000 |
| Renishaw-No.: | A-5555-0067 |