KI M2 060 03 010/0,8
Termékszám:
KIM206003010/0,8
11
KI M2 060 03 010/0,8
Termékszám:
KIM206003010/0,8
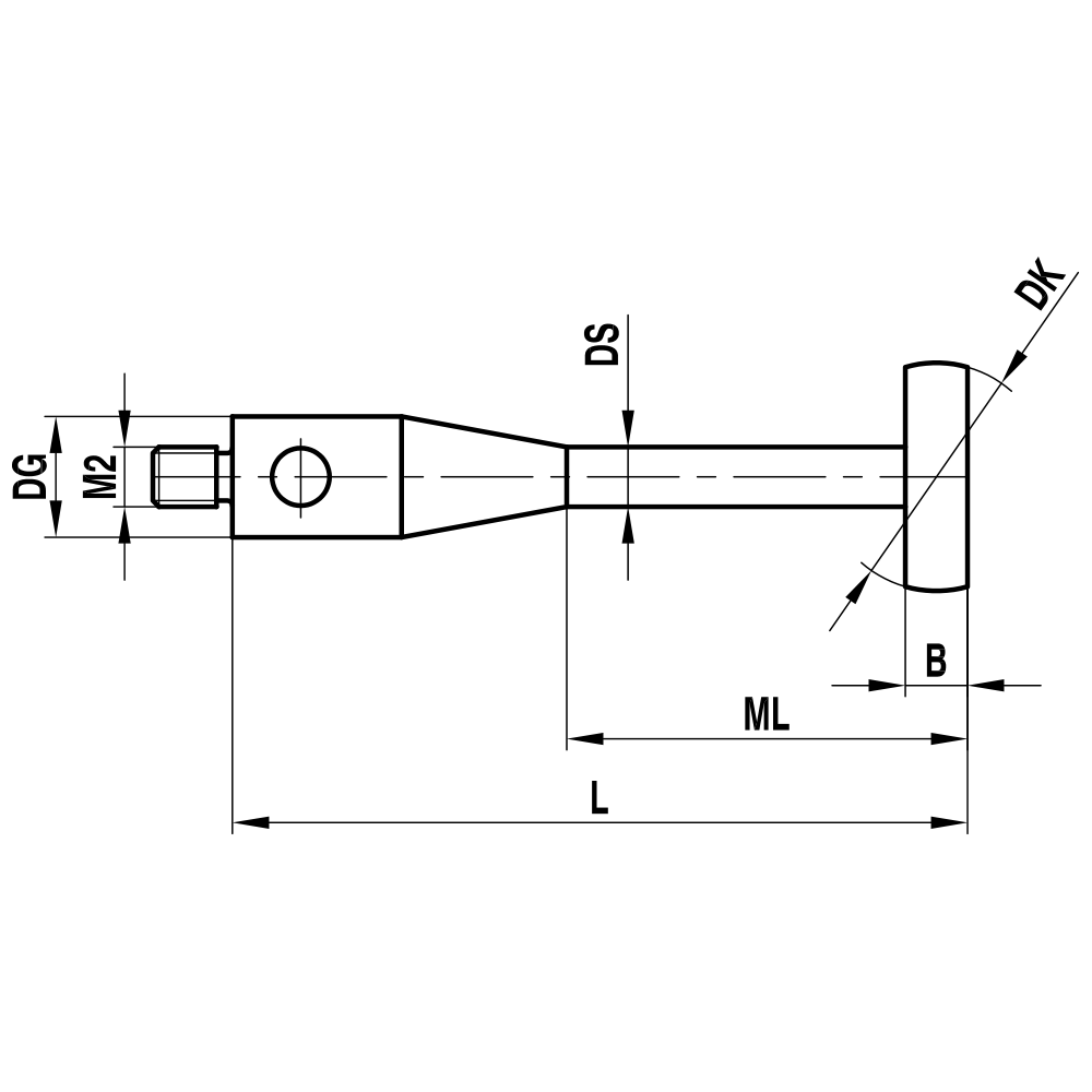
Disc Styli; base: stainless steel; stem: carbide; ball: stainless steel
These probes are available with a carbide or stainless steel stem and stainless steel disc. They are often used to measure softer materials such as aluminium, plastics or non-alloy steels.
| Thread size: | M2 |
|---|---|
| DK: | 6.0 |
| L: | 10.0 |
| DG: | 3.0 |
| ML: | 6.0 |
| DS: | 2.0 |
| B: | 0.8 |
| Stem Material: | carbide |
| Base Material: | stainless steel |
| Probe ball material: | stainless steel |
| Súly: | 0.6 |