KI M2 080 03 020
Termékszám:
KIM208003020
11
KI M2 080 03 020
Termékszám:
KIM208003020
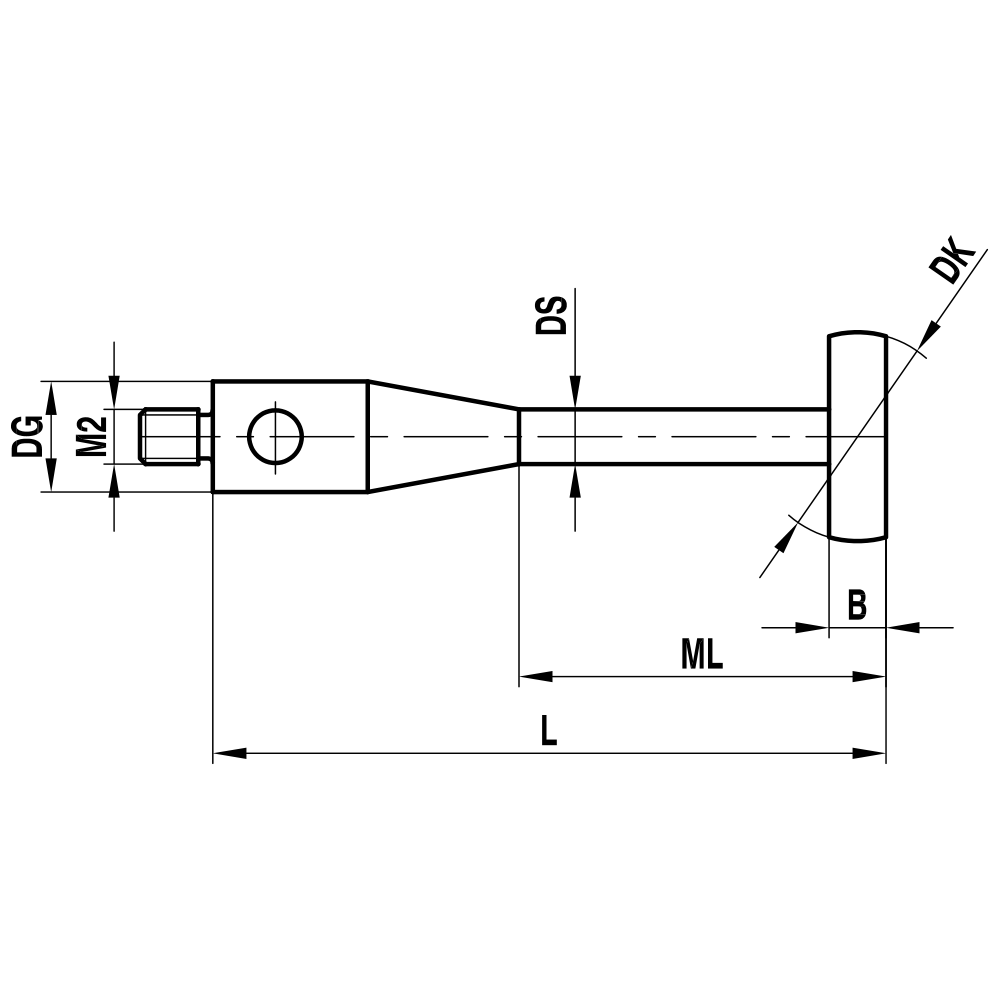
Disc Styli; base: stainless steel; stem: carbide; ball: stainless steel
These probes are available with a carbide or stainless steel stem and stainless steel disc. They are often used to measure softer materials such as aluminium, plastics or non-alloy steels.
| Thread size: | M2 |
|---|---|
| DK: | 8.0 |
| L: | 20.0 |
| DG: | 3.0 |
| ML: | 14.0 |
| DS: | 2.0 |
| B: | 0.5 |
| Stem Material: | carbide |
| Base Material: | stainless steel |
| Probe ball material: | stainless steel |
| Súly: | 1.2 |