KI M2 100 03 020/0,8

Termékszám: KIM210003020/0,8 11

KI M2 100 03 020/0,8

Termékszám: KIM210003020/0,8

80,00 EUR*


To our inquiry form
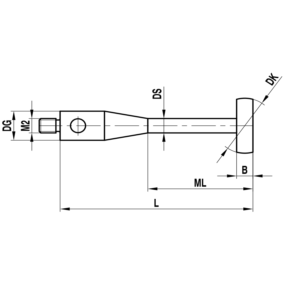
Disc Styli; base: stainless steel; stem: Hartmetall; ball: stainless steel
These probes are available with a carbide or stainless steel stem and stainless steel disc. They are often used to measure softer materials such as aluminium, plastics or non-alloy steels.
Thread size: M2
DK: 10.0
L: 20.0
DG: 3.0
ML: 14.0
DS: 2.0
B: 0.8
Stem Material: carbide
Base Material: stainless steel
Probe ball material: stainless steel
Súly: 1.4
Drawing of product KI M2 100 03 020/0,8