KR M2 060 03 010
Termékszám:
KRM206003010
11
KR M2 060 03 010
Termékszám:
KRM206003010
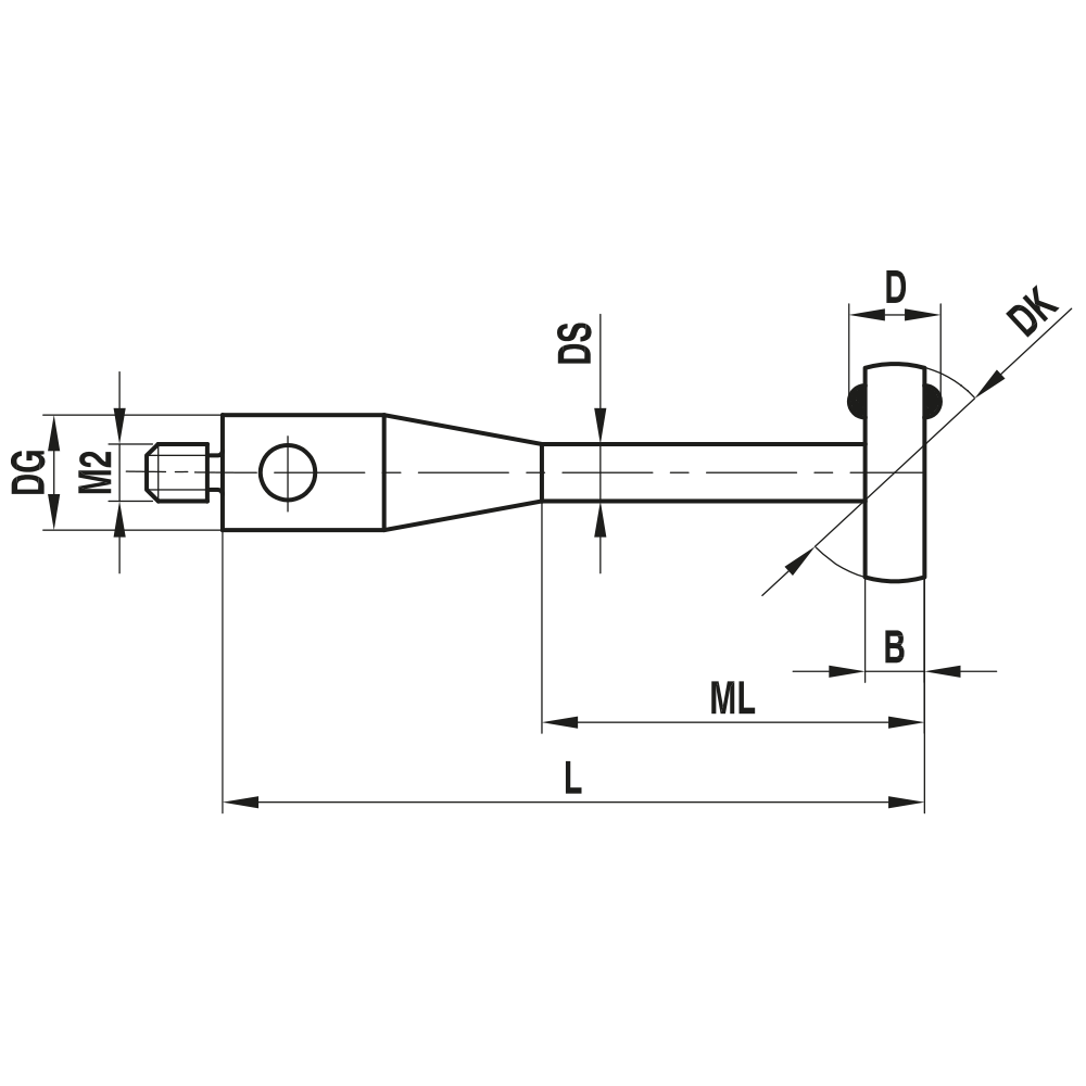
Disc Styli; base: stainless steel; stem: stainless steel; ball: ruby
The stylus has a stainless steel stem, a ruby disc and a steel tip. Ruby discs and balls are the all-rounders in metrology and are suitable for measuring workpieces in a wide range of materials. The steel tip offers the additional option of axial probing.
| Thread size: | M2 |
|---|---|
| DK: | 6.0 |
| L: | 10.6 |
| DG: | 3.0 |
| ML: | 6.2 |
| DS: | 2.0 |
| B: | 1.2 |
| D: | 2.0 |
| Stem Material: | stainless steel |
| Base Material: | stainless steel |
| Probe ball material: | ruby |
| Súly: | 0.6 |
| Compatible with: | Hexagon, Mitutoyo, Renishaw |
| Renishaw-No.: | A-5000-3611 |
| Hexagon-No.: | 03969241 |
| itp_product_attributes_mitutoyo_no: | K651085 |