KT M5 020 02 022
Termékszám:
KTM502002022
11
KT M5 020 02 022
Termékszám:
KTM502002022
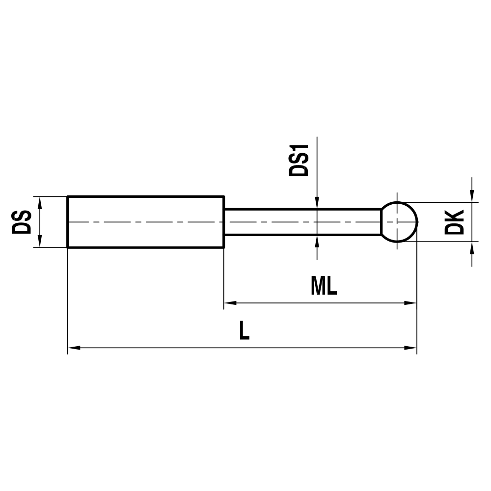
Straight Styli; stem: carbide; ball: ruby
Straight stylus with no thread, which allows for a high degree of flexibility.
The tungsten carbide stem can be single or multi-stepped. The styli can be used with the appropriate clamp holder.
This version is available with ruby balls Ø0,2mm to 5,0mm. Other sizes can be requested via the configurator or by e-mail.
| Thread size: | without |
|---|---|
| DK: | 2.0 |
| L: | 23.0 |
| ML: | 10.6 |
| DS: | 2.0 |
| DS (1): | 1.5 |
| Stem Material: | carbide |
| Probe ball material: | ruby |
| Súly: | 0.8 |
| Compatible with: | Hexagon, Renishaw |
| Renishaw-No.: | A-5555-0841 |
| Hexagon-No.: | 060-694.065-000 |