SC M3 030 05 020/90°
Termékszám:
SCM303005020/90°
11
Suitable for Zeiss: 626103-0303-020
Suitable for Zeiss: 626103-0303-020
SC M3 030 05 020/90°
Termékszám:
SCM303005020/90°
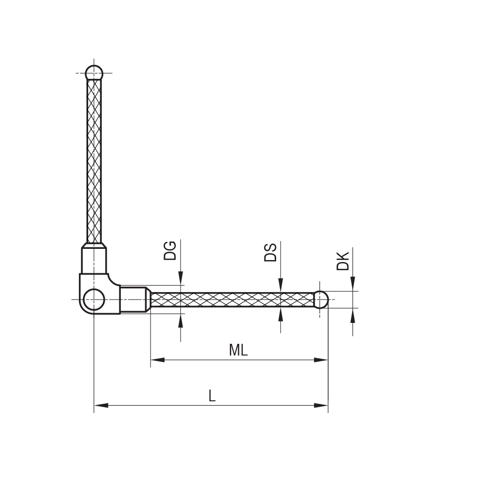
Star Styli; base: titanium; stem: carbon fiber; ball: ruby
1/2 star styli are used in combination with extensions from the M3 XXT range to create 2-arm styli.
The two arms are arranged at a 90° angle to each other. The carbon fibre stem provides high stiffness and low weight. A high precision ruby ball is available as the probing element. A special screw such as SIM300005008 can be used for clamping.
| Thread size: | M3 XXT |
|---|---|
| DK: | 3.0 |
| L: | 20.5 |
| DG: | 5.0 |
| ML: | 11.0 |
| DS: | 2.0 |
| Stem Material: | carbon fiber |
| Base Material: | titanium |
| Probe ball material: | ruby |
| Súly: | 1.5 |
| Compatible with: | Zeiss |
| Zeiss No.: | 626103-0303-020 |