SI M2 005 05 010
Termékszám:
SIM200505010
11
Suitable for Zeiss: 000000-1776-939
Suitable for Zeiss: 000000-1776-939
SI M2 005 05 010
Termékszám:
SIM200505010
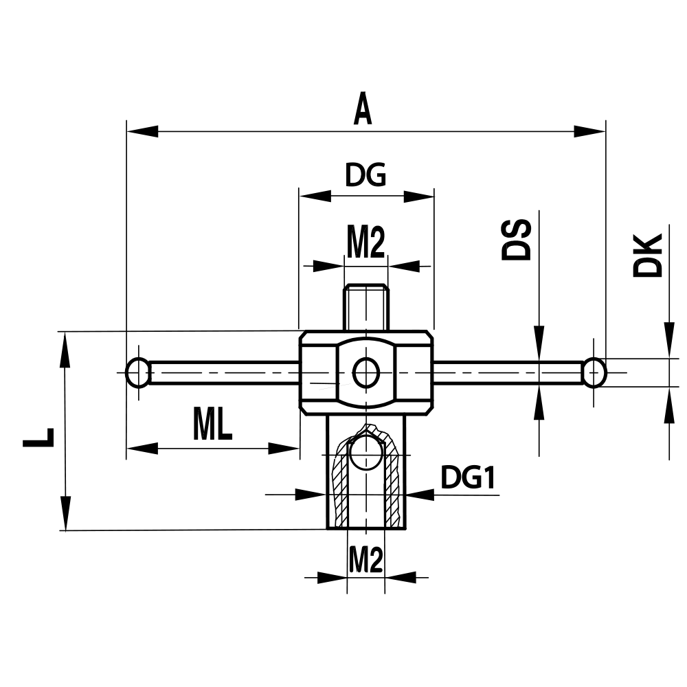
Star Styli; base: stainless steel; stem: carbide; ball: ruby
The star styli in this product group are styli with 4 fixed arms. The clamping screw is used to secure the rotating star. An additional function is provided for mounting an additional axial stylus. Any stylus from the M2 range can be used.
| Thread size: | M2 |
|---|---|
| DK: | 0.5 |
| L: | 7.5 |
| DG: | 5.0 |
| DG (1): | 3.0 |
| ML: | 2.75 |
| DS: | 0.3 |
| A: | 10.5 |
| Stem Material: | carbide |
| Base Material: | stainless steel |
| Probe ball material: | ruby |
| Súly: | 0.7 |
| Compatible with: | Hexagon, Renishaw, Zeiss |
| Zeiss No.: | 000000-1776-939 |
| Renishaw-No.: | A-5003-4011 |
| Hexagon-No.: | 03969422 |