SI M2 010 05 011
Termékszám:
SIM201005011
11
Suitable for Zeiss: 000000-1776-469, 626120-0181
Suitable for Zeiss: 000000-1776-469, 626120-0181
SI M2 010 05 011
Termékszám:
SIM201005011
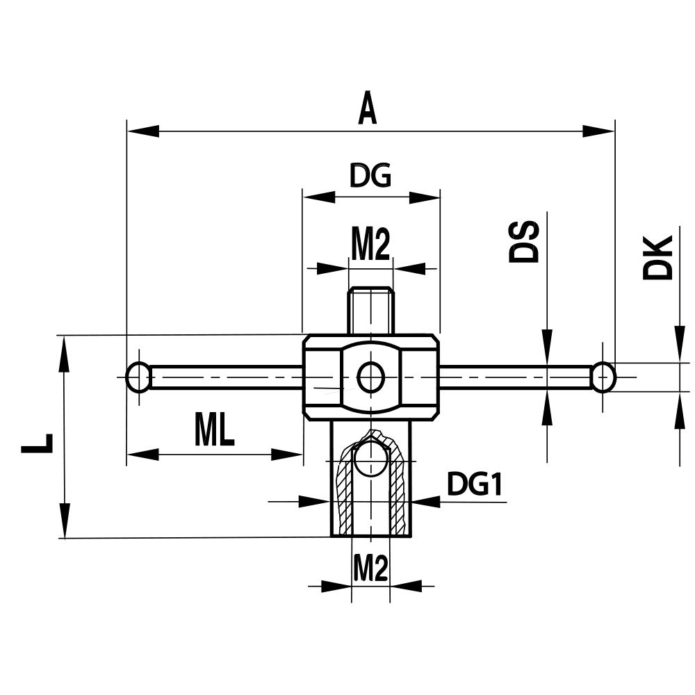
Star Styli; base: stainless steel; stem: carbide; ball: ruby
The star styli in this product group are styli with 4 fixed arms. The clamping screw is used to secure the rotating star. An additional function is provided for mounting an additional axial stylus. Any stylus from the M2 range can be used.
| Thread size: | M2 |
|---|---|
| DK: | 1.0 |
| L: | 7.5 |
| DG: | 5.0 |
| DG (1): | 3.0 |
| ML: | 3.0 |
| DS: | 0.7 |
| A: | 11.0 |
| Stem Material: | carbide |
| Base Material: | stainless steel |
| Probe ball material: | ruby |
| Súly: | 0.7 |
| Compatible with: | Mitutoyo, Renishaw, Zeiss |
| Zeiss No.: | 000000-1776-469, 626120-0181 |
| Renishaw-No.: | A-5000-7811 |
| itp_product_attributes_mitutoyo_no: | K651052 |