SI M2 020 05 022

Termékszám: SIM202005022 11
Suitable for Zeiss: 000000-1776-468, 626120-0041-000

SI M2 020 05 022

Termékszám: SIM202005022

101,00 EUR*


To our inquiry form
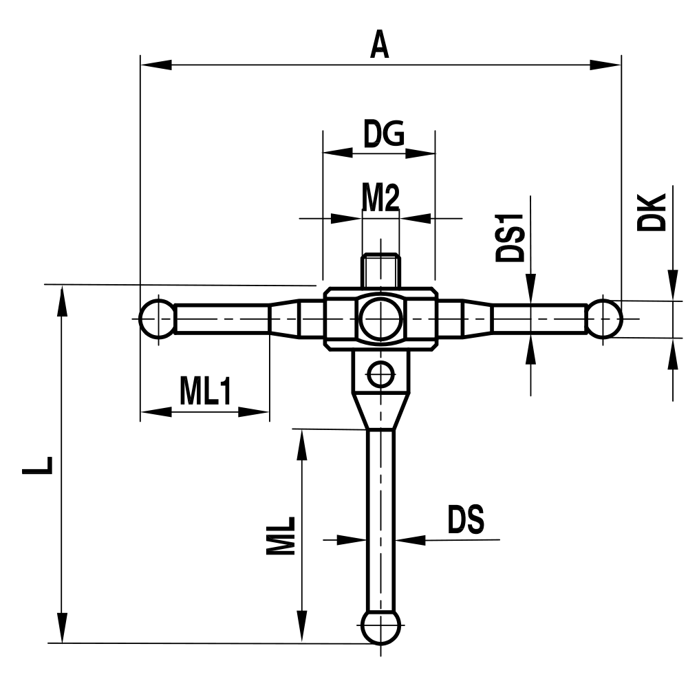
Star Styli; base: stainless steel; stem: stainless steel; ball: ruby
The star styli in this product group are styli with four fixed arms arranged at 90° to each other. An axial stylus, which can be used as a fifth measuring arm, tensions and holds the star, which can be flexibly adjusted to suit the measurement requirements.
Thread size: M2
DK: 2.0
L: 22.5
DG: 5.5
ML: 13.5
ML (1): 4.5
DS: 1.5
DS (1): 1.4
A: 22.0
Stem Material: stainless steel
Base Material: stainless steel
Probe ball material: ruby
Súly: 1.3
Compatible with: Hexagon, Mitutoyo, Zeiss
Zeiss No.: 000000-1776-468, 626120-0041-000
Hexagon-No.: 03969055
itp_product_attributes_mitutoyo_no: K650451
Drawing of product SI M2 020 05 022