SI M2 020 05 032
Termékszám:
SIM202005032
11
Suitable for Zeiss: 000000-1776-447
Suitable for Zeiss: 000000-1776-447
SI M2 020 05 032
Termékszám:
SIM202005032
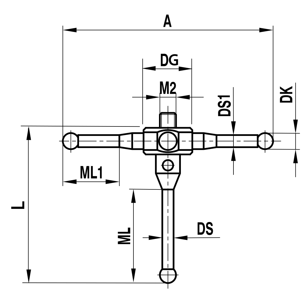
Star Styli; base: stainless steel; stem: stainless steel; ball: ruby
The star styli in this product group are styli with four fixed arms arranged at 90° to each other. An axial stylus, which can be used as a fifth measuring arm, tensions and holds the star, which can be flexibly adjusted to suit the measurement requirements.
| Thread size: | M2 |
|---|---|
| DK: | 2.0 |
| L: | 32.0 |
| DG: | 5.5 |
| ML: | 13.5 |
| ML (1): | 9.5 |
| DS: | 1.5 |
| DS (1): | 1.4 |
| A: | 32.0 |
| Stem Material: | stainless steel |
| Base Material: | stainless steel |
| Probe ball material: | ruby |
| Súly: | 1.8 |
| Compatible with: | Hexagon, Mitutoyo, Renishaw, Zeiss |
| Zeiss No.: | 000000-1776-447 |
| Renishaw-No.: | A-5000-3626 |
| Hexagon-No.: | 03969056 |
| itp_product_attributes_mitutoyo_no: | K651054 |