SI M3 000 05 008
Termékszám:
SIM300005008
11
Suitable for Zeiss: 626103-6110-004, 620103-6110-004
Suitable for Zeiss: 626103-6110-004, 620103-6110-004
SI M3 000 05 008
Termékszám:
SIM300005008
Accessories; base: titanium
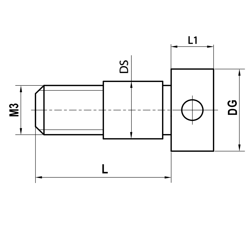
The clamping screw is used to secure and centre stylus holders and star styli with a Ø3.5mm mounting hole from the M3 XXT range.
Possible combinations are e.g. WTM300005006 and SCM3S3005020/90°.
| Thread size: | M3 XXT |
|---|---|
| L: | 8.0 |
| customFields.itp_product_attributes_l_1: | 2.5 |
| DG: | 5.0 |
| DS: | 3.5 |
| Base Material: | titanium |
| Súly: | 0.4 |
| Compatible with: | Zeiss |
| Zeiss No.: | 626103-6110-004, 620103-6110-004 |