SI M5 000 26 035
Termékszám:
SIM500026035
11
Suitable for Zeiss: 600341-0221-000, 600341-0210-000
Suitable for Zeiss: 600341-0221-000, 600341-0210-000
SI M5 000 26 035
Termékszám:
SIM500026035
Accessories; base: stainless steel
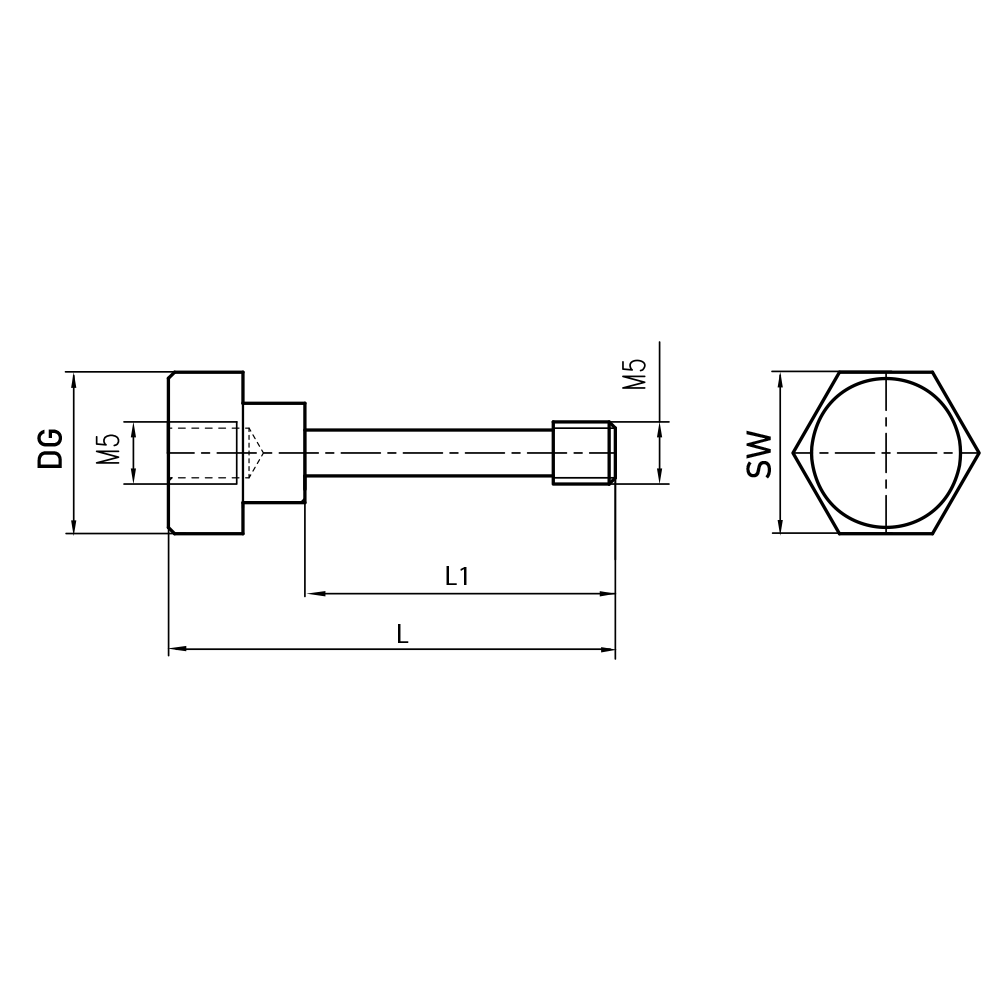
M5 screws are used in combination with spherical discs and M5 cubes to create application-specific configurations. The M5 thread at the front enables any stylus in the M5 range to be mounted.
| Thread size: | M5 |
|---|---|
| L: | 35.0 |
| customFields.itp_product_attributes_l_1: | 26.0 |
| DG: | 13.0 |
| SW:: | 13.0 |
| Base Material: | stainless steel |
| Súly: | 9.3 |
| Compatible with: | Renishaw, Zeiss |
| Zeiss No.: | 600341-0221-000, 600341-0210-000 |
| Renishaw-No.: | A-5003-5676, A-5555-0221 |