SI M5 008 11 040
Termékszám:
SIM500811040
11
SI M5 008 11 040
Termékszám:
SIM500811040
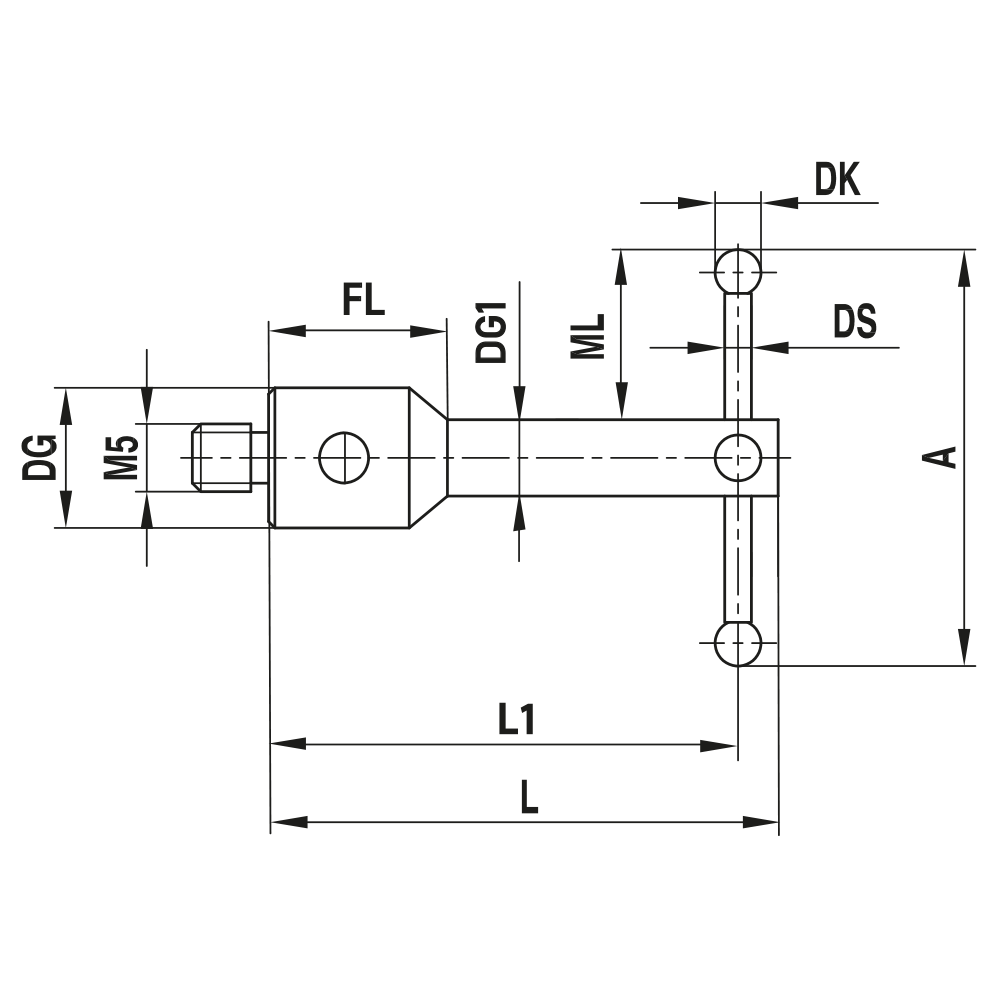
Star Styli ; base: stainless steel; stem: carbide; ball: ruby
The star styli in this product group are styli with 4 fixed arms. These styli have a small star width, which allows them to be used in holes from Ø9.0mm, for example.
| Thread size: | M5 |
|---|---|
| DK: | 0.8 |
| L: | 40.0 |
| customFields.itp_product_attributes_l_1: | 39.1 |
| DG: | 11.0 |
| DG (1): | 4.0 |
| FL: | 10.0 |
| ML: | 2.0 |
| DS: | 0.6 |
| A: | 8.0 |
| Stem Material: | carbide |
| Base Material: | stainless steel |
| Probe ball material: | ruby |
| Súly: | 9.1 |