TC M2 040 03 102
Termékszám:
TCM204003102
11
Suitable for Zeiss: 000000-1776-918
Suitable for Zeiss: 000000-1776-918
TC M2 040 03 102
Termékszám:
TCM204003102
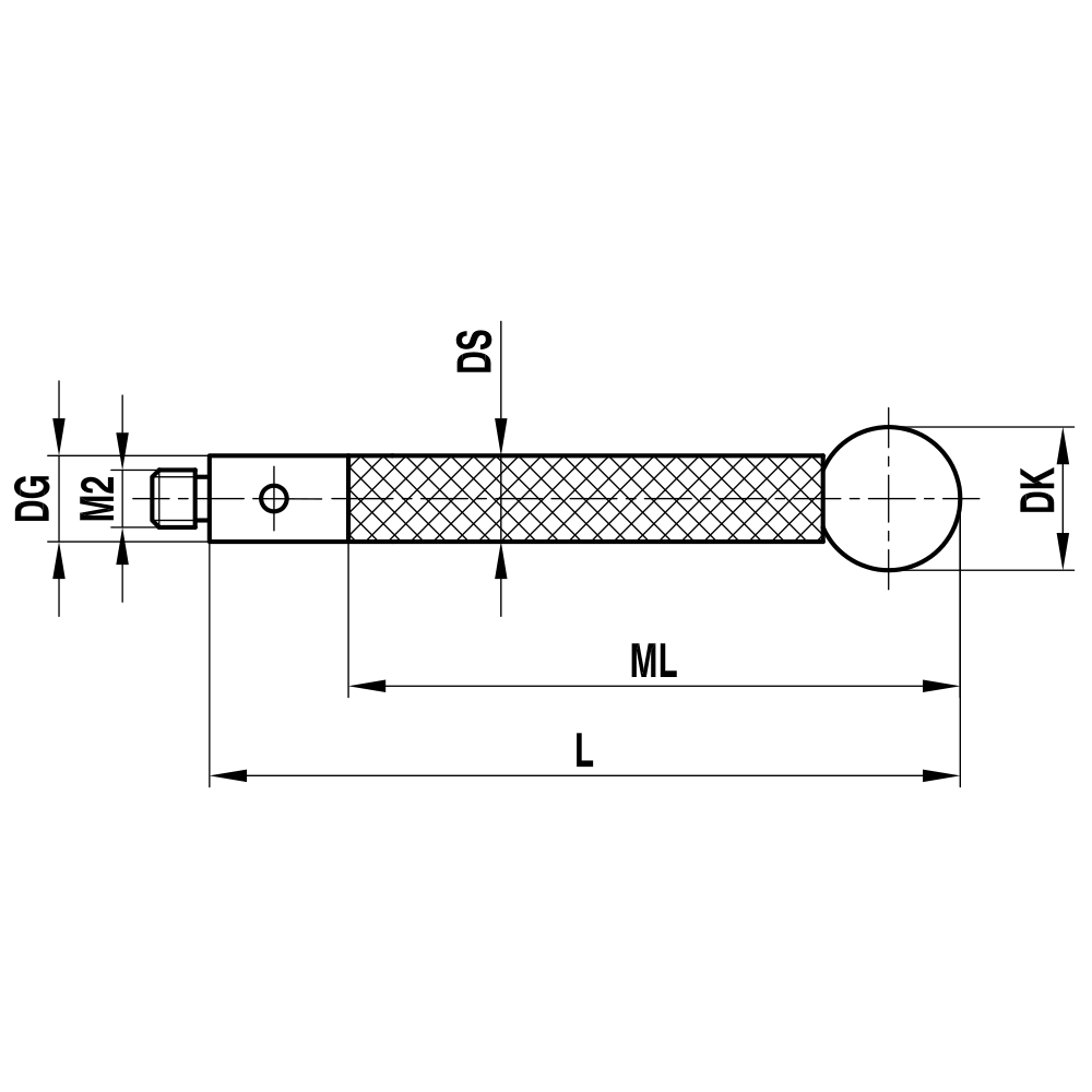
Straight Styli; base: stainless steel; stem: carbon fiber; ball: ruby
Straight stylus with low weight and extreme rigidity.
The carbon fiber stem with its excellent physical properties is mainly used for styli with excess length.
Ruby balls of the highest quality from Ø4,0mm to Ø6,0mm are used for these styli.
Other dimensions can be requested via the configurator or by e-mail.
| Thread size: | M2 |
|---|---|
| DK: | 4.0 |
| L: | 102.0 |
| DG: | 3.0 |
| ML: | 92.0 |
| DS: | 3.0 |
| Stem Material: | carbon fiber |
| Base Material: | stainless steel |
| Probe ball material: | ruby |
| Súly: | 1.6 |
| Compatible with: | Renishaw, Zeiss |
| Zeiss No.: | 000000-1776-918 |
| Renishaw-No.: | A-5003-2289 |