TC M3 100 04 080

Termékszám: TCM310004080 11

TC M3 100 04 080

Termékszám: TCM310004080

140,00 EUR*


To our inquiry form
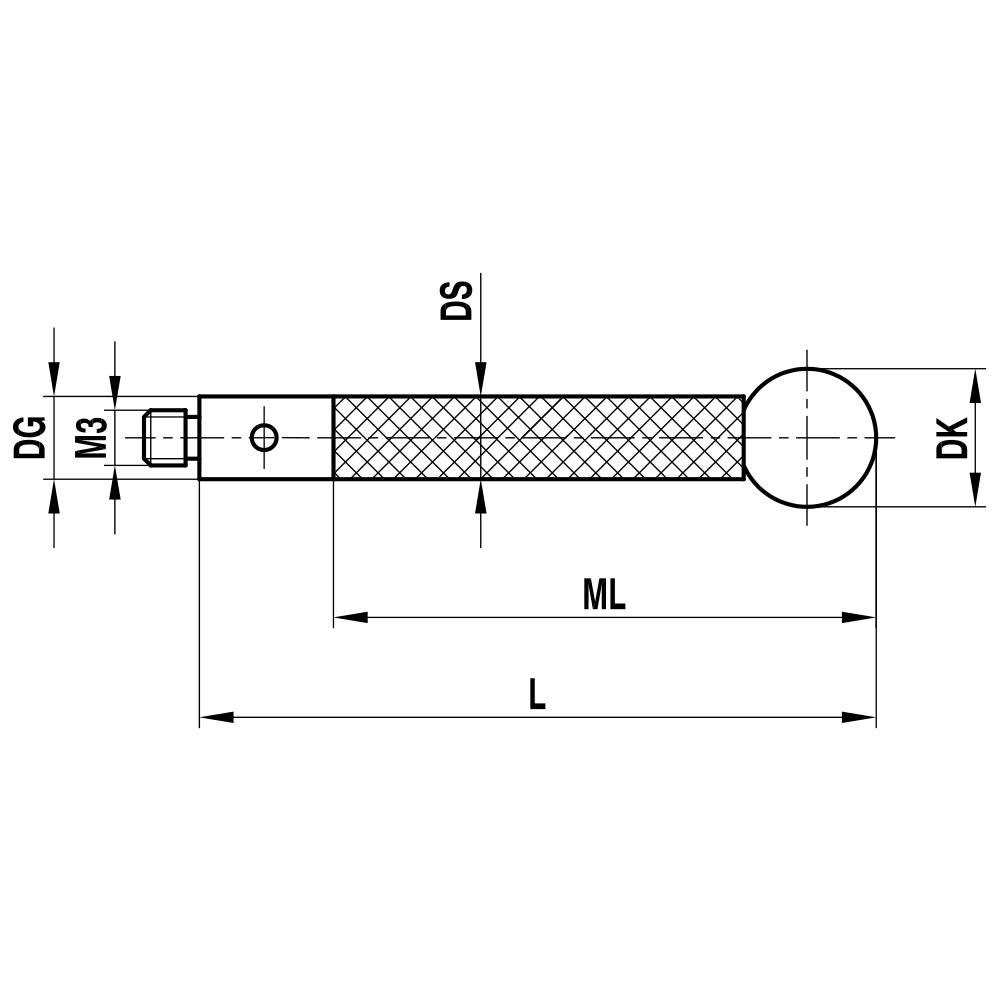
Straight Styli; base: stainless steel; stem: carbon fiber; ball: ruby
Straight stylus with low weight and extreme rigidity. The carbon fiber stem with its excellent physical properties is mainly used for styli with excess length. Ruby balls of the highest quality from Ø6,0mm to Ø12,0mm are used for these styli. Other dimensions can be requested via the configurator or by e-mail.
Thread size: M3
DK: 10.0
L: 80.0
DG: 4.0
ML: 70.0
DS: 4.0
Stem Material: carbon fiber
Base Material: stainless steel
Probe ball material: ruby
Súly: 4.2
Compatible with: Renishaw
Renishaw-No.: A-5003-7057
Drawing of product TC M3 100 04 080