TC M3 S30 05 040
Termékszám:
TCM3S3005040
11
Suitable for Zeiss: 626103-0305-040, 626103-0312-020
Suitable for Zeiss: 626103-0305-040, 626103-0312-020
TC M3 S30 05 040
Termékszám:
TCM3S3005040
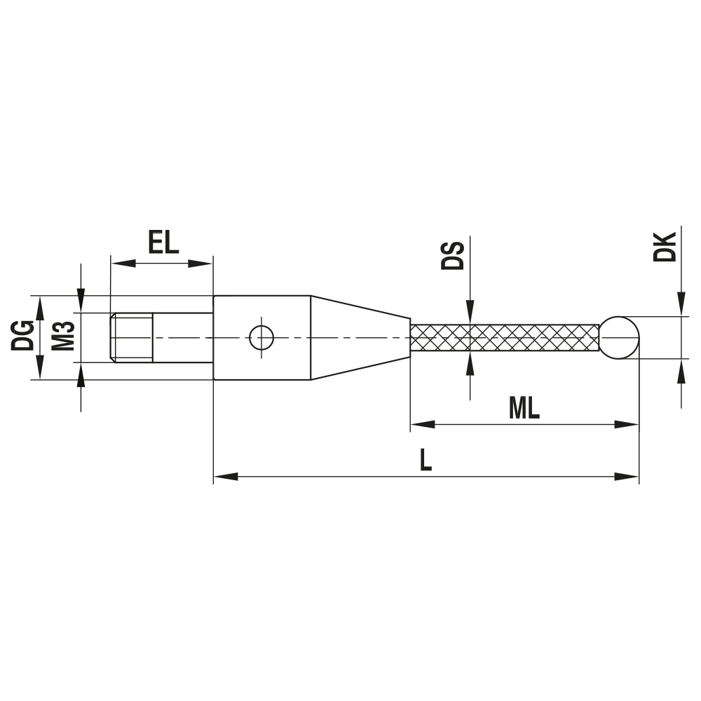
Straight Styli / Star Styli ; base: titanium; stem: carbon fiber; ball: silicon nitride
Straight stylus for clamping star styli. It provides additional probing option in the Z direction. This stylus has an extended thread to match the height of the star stylus.
Ruby balls or silicon nitride are available as probing elements.
| Thread size: | M3 XXT |
|---|---|
| DK: | 3.0 |
| L: | 40.0 |
| DG: | 5.0 |
| EL: | 8.0 |
| ML: | 31.0 |
| DS: | 2.0 |
| Stem Material: | carbon fiber |
| Base Material: | titanium |
| Probe ball material: | silicon nitride |
| Súly: | 1 |
| Compatible with: | Zeiss |
| Zeiss No.: | 626103-0305-040, 626103-0312-020 |