TH M2 0025 03 010
Termékszám:
THM2002503010
11
TH M2 0025 03 010
Termékszám:
THM2002503010
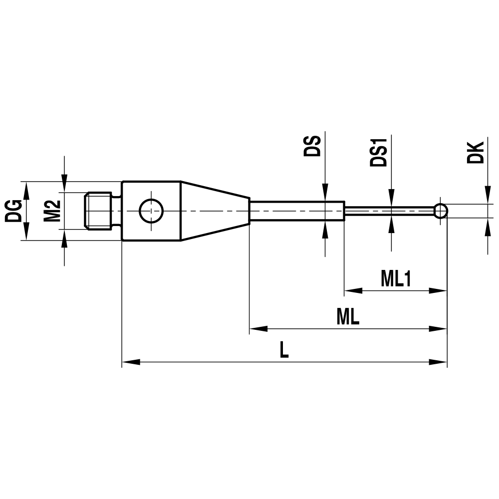
Straight Styli; base: stainless steel; stem: carbide; ball: ruby
Straight stylus for everyday standard use.
Due to its extreme rigidity, the carbide stem enables a wide range of dimensions.The stem can be single or multi-stepped. Ruby balls of the highest quality from Ø0,2mm to Ø1,0mm are used for these styli.
Further sizes can be requested via the configurator or by e-mail.
| Thread size: | M2 |
|---|---|
| DK: | 0.25 |
| L: | 10.15 |
| DG: | 3.0 |
| ML: | 4.15 |
| ML (1): | 2.3 |
| DS: | 1.0 |
| DS (1): | 0.18 |
| Stem Material: | carbide |
| Base Material: | stainless steel |
| Probe ball material: | ruby |
| Súly: | 0.3 |