TH M2 008 03 018
Termékszám:
THM200803018
11
TH M2 008 03 018
Termékszám:
THM200803018
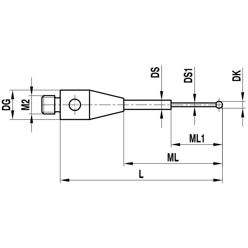
Straight Styli; base: stainless steel; stem: carbide; ball: ruby
Straight stylus for everyday standard use.
Due to its extreme rigidity, the carbide stem enables a wide range of dimensions.The stem can be single or multi-stepped. Ruby balls of the highest quality from Ø0,2mm to Ø1,0mm are used for these styli.
Further sizes can be requested via the configurator or by e-mail.
| Thread size: | M2 |
|---|---|
| DK: | 0.8 |
| L: | 18.0 |
| DG: | 3.0 |
| ML: | 13.5 |
| ML (1): | 4.8 |
| DS: | 1.0 |
| DS (1): | 0.6 |
| Stem Material: | carbide |
| Base Material: | stainless steel |
| Probe ball material: | ruby |
| Súly: | 0.3 |