TH M5 080 11 114
Termékszám:
THM508011114
11
Suitable for Zeiss: 600342-8024-000
Suitable for Zeiss: 600342-8024-000
TH M5 080 11 114
Termékszám:
THM508011114
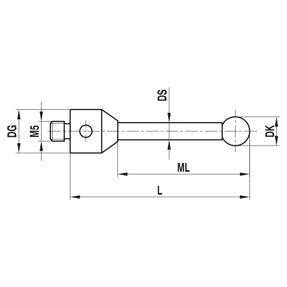
Straight Styli; base: titanium; stem: carbide; ball: ruby
Straight stylus for everyday standard use.
The carbide stem with its extreme rigidity enables a wide range of dimensions. Ruby balls of the highest quality from Ø2,0mm to Ø10,0mm are used for these styli.
Other sizes can be requested via the configurator or by e-mail.
| Thread size: | M5 |
|---|---|
| DK: | 8.0 |
| L: | 114.5 |
| DG: | 11.0 |
| ML: | 101.5 |
| DS: | 6.0 |
| Stem Material: | carbide |
| Base Material: | titanium |
| Probe ball material: | ruby |
| Súly: | 45.6 |
| Compatible with: | Renishaw, Zeiss |
| Zeiss No.: | 600342-8024-000 |
| Renishaw-No.: | A-5003-0801, A-5555-0034 |