WT M5 020 15 045
Termékszám:
WTM502015045
11
Suitable for Zeiss: 602030-9026-000
Suitable for Zeiss: 602030-9026-000
WT M5 020 15 045
Termékszám:
WTM502015045
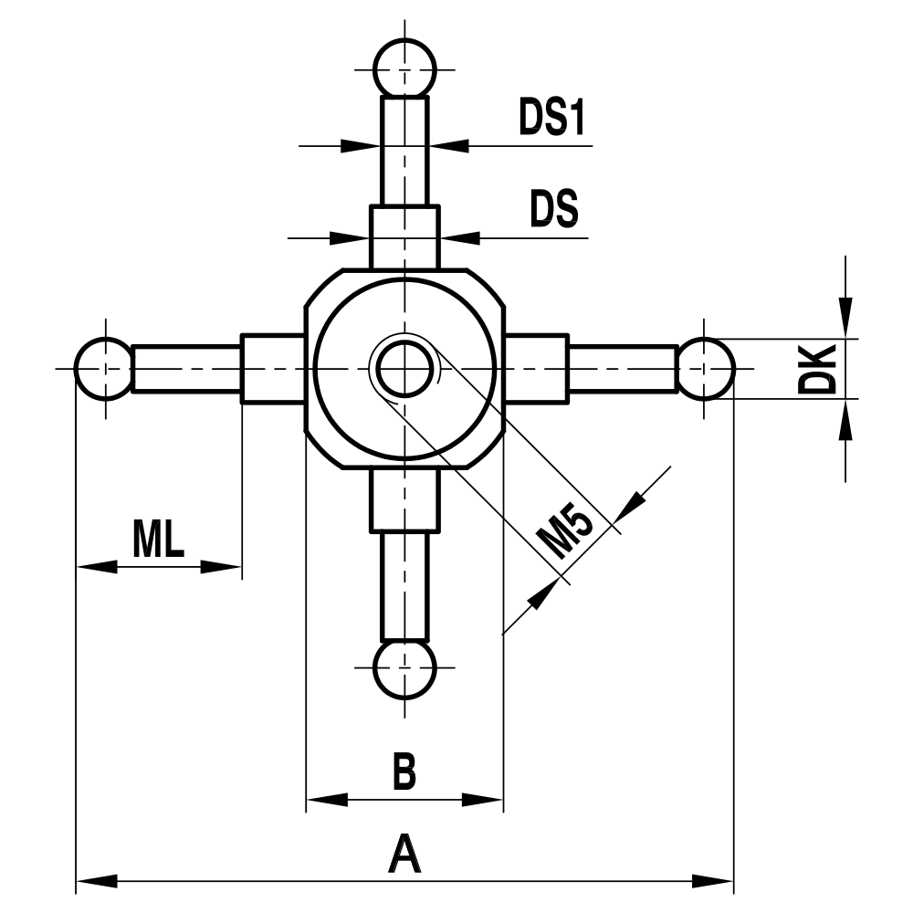
Star Styli ; base: titanium; stem: carbide ruby
The star styli in this product group include styli with four arms arranged at 90° to each other and 90° to the screw axis. These styli are often called 'cube star styli'. Styli with ruby balls are available in sizes from Ø 1.0 to Ø 3.5 mm.
| Thread size: | M5 |
|---|---|
| DK: | 2.0 |
| ML: | 7.5 |
| DS: | 2.0 |
| DS (1): | 1.5 |
| A: | 45.0 |
| B: | 15.0 |
| Stem Material: | carbide |
| Base Material: | titanium |
| Probe ball material: | ruby |
| Súly: | 17.3 |
| Compatible with: | Renishaw, Zeiss |
| Zeiss No.: | 602030-9026-000 |
| Renishaw-No.: | A-5555-0071 |